Solução do Resolva, se puder!
Boa noite!
Como estão? Estudando? Ou na maior parte do tempo no Face ou teclando no celular?
Muito triste isso e preocupante, realmente se tornou um vício toda essa tecnologia
Bem, vocês diriam, isso é problema nosso, o que o senhor tem com isso? Não tenho nada, apenas observo e tiro minhas conclusões sobre que futuro vocês vão querer.
Toda essa parafernália não te acrescenta nada, apenas engorda a conta bancária de quem os criou e você, ô, ralando, caçando um trabalho melhor, uma melhor condição financeira, enquanto tantas baboseiras são lançadas nesses sites de relacionamentos.
Enfim, também estou dentro dessas tecnologias, apenas tento usufruir delas para um melhor aprendizado e tentar melhorar um pouco as cabecinhas da garotada.
Vamos lá, o assunto principal não era esse, mas tem muito a ver com que eu vou explanar.
Para o pessoal técnico, meus ex alunos, atuais alunos e não alunos, é direcionado este post.
No dia 04/10/2013, eu postei sobre o título de Máquinas e Equipamentos Industriais um diagrama elétrico. Questionei ao pessoal sobre a descrição de funcionamento do circuito em questão. Pasmem vocês, não vi um só comentário sobre o assunto, não recebi nenhum email até hoje, e fiquei refletindo sobre o assunto: ou o pessoal não lê ou não se interessa pelo meu blog, ou o pessoal realmente não sabe decifrar um diagrama elétrico, ou o pessoal prefere gastar seu tempo em outras atividades.
Eu fico intrigado como esses profissionais irão encarar um concurso ou uma admissão numa empresa, enfim, como diz o ditado - cada cabeça, uma sentença.
Não vou desistir, continuarei até os meus últimos dias, dentro de salas de aula, aqui no blog, em outros sites, tentar deixar algo produtivo para vocês. Felizmente, alguns conseguem algo de bom na profissão, outros desistem e mudam de profissão, assim é a vida, uma mutação constante de idéias e comportamentos.
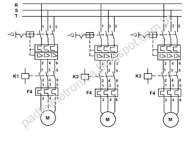
Para o pessoal que se interessa, vejamos um outro teste, ou uma possibilidade que vocês poderão encontrar na vida prática:
Eu tenho tres motores, A, B e C, todos trifásicos, gaiola de esquilo, de indução, partida direta de 5 cv e tenho a seguinte situação:
Só posso ligar dois motores, sendo que o terceiro ficará inoperante, ou seja:
- se eu ligar A e B, o C ficará travado,
- se eu ligar A e C, o B ficará travado e
- se eu ligar B e C, o A ficará travado.
Vocês seriam capazes de fazer o diagrama elétrico dessa situação?
Essa situação me foi passada por um ex aluno que pretendia executar esse circuito na empresa em que ele trabalhava. Fizemos em conjunto na escola e ele deve estar usando em sua empresa.
Fico no aguardo, espero que reflitam sobre o que foi dito aqui.
Um abraço a todos!!!
A solução do problema:


Comentários