Soft Starter
O
soft-starter é um equipamento eletrônico capaz de controlar a potência do motor
no instante da partida, bem como sua frenagem. Ao contrário dos sistemas
elétricos convencionais utilizados para essa função (partida com
autotransformador, estrela-triangulo, etc.), seu princípio de funcionamento
baseia-se em componentes estáticos,tiristores, para ser mais exato.
Através
do ângulo de condução dos tiristores, a tensão na partida é reduzida,
diminuindo os picos de corrente gerados pela inércia da carga mecânica.
A figura
1 mostra um esquema genérico desse dispositivo. Notem que temos seis SCRs
ligados em antiparalelo.formando três conjuntos estáticos (um para cada fase).
Com um circuito de disparo, normalmente constituído por um microprocessador ou
microcontrolador, regulamos o ângulo de condução dos SCRs. Através de um sensor
de corrente (TC) é possível prover uma partida suave, bem como determinar o
modo de frenagem do motor.
PARTIDA E
FRENAGEM
Para
que a partida no motor ocorra de modo suave, o usuário deve parametrizar
a tensão inicial (Vp) de modo que ela assuma o menor valor
possível suficiente para iniciar o movimento da carga. A partir daí, a tensão
subirá linearmente segundo um tempo também parametrizado (tr) até atingir o
valor nominal; vide figura 2.
ÂNGULO DE DISPARO X ÂNGULO DE CONDUÇÃO
É importante saber claramente a diferença entre ângulo de disparo
e ângulo de condução. O ângulo de disparo, normalmente representado pela letra
alfa é a "medida" do tempo decorrido a partir de cada cruzamento por
zero da senoide até o momento do início da condução (estado "on" do
tiristor). Como o controle é realizado a cada semiciclo, o ângulo de condução é
o tempo restante até que os 180° estejam completos.
Portanto, o ângulo de condução pode ser expresso por: 180° -
alfa.
Como o próprio nome diz, o ângulo de condução é a parcela de
energia que, efetivamente, é entregue à carga. Sendo assim, quanto maior o
ângulo de disparo menor o ângulo de condução e, consequentemente, menor a
potência enviada para a carga, e vice-versa.
A figura a seguir mostra um exemplo, onde um TRIAC é disparado a
30° (alfa = 30°). Podemos notar as tensões disponíveis na carga RL, e no TRIAC.
Notem que a soma das duas tensões é igual à tensão da rede.
Na frenagem, a tensão deve ser reduzida instantaneamente a um
nível ajustável (Vt), que deve ser parametrizado no nível em que o motor inicia
a redução da rotação.
A partir desse ponto a tensão diminui linearmente (rampa ajustável
(tr)) até a tensão final (Vz), quando o motor parar de girar. Nesse instante, a
tensão é desligada; veja a figura 3.
A figura 4 ilustra o perfil da partida e frenagem de um motor
acionado com soft-starter. Além da tensão, o soft-starter também tem circuitos
de controle da corrente. Ela é conservada num valor ajustável (Ic) por um determinado
intervalo de tempo (te). Esse recurso permite que cargas de alta inércia sejam
aceleradas com a menor corrente possível, além de limitar a corrente máxima
para partidas de motores em fontes limitadas.
Cargas de torque constante se beneficiam através desse modo de
partida.
RECURSOS E SINALIZAÇÃO
Os soft-starters são equipados com pequenas IHMs (interfaces
homem-máquina), ou painel de LEDs para informar o status do sistema.
Quanto aos recursos, os mais importantes são: proteção do motor,
sensibilidade à seqüência de fase, "plug-in", e circuitos de economia
de energia.
a) Proteção do motor:
A figura 6 apresenta a curva típica de sobrecorrente de um
soft-starter.
Podemos notar que ela determina interrupções e bloqueios em caso
de falta de fase ou falha do tiristor. Normalmente, esses equipamentos também
apresentam relés eletrônicos de sobrecarga. Durante o tempo de operação
(tr), um relé eletrônico de sobrecarga entra em operação quando necessário
(sobrecorrente acima dos valores parametrizados).
O dispositivo pede ser configurado para dar proteção tanto para
sobrecorrentes (Ioc), quanto para .subcorrentes (luc).
b) Sensibilidade à sequência de fase.
Esses equipamentos podem ser configurados para operarem somente se
a sequência de fase (R, S, e T) estiver correta. Esse recurso assegura a
proteção, principalmente mecânica, para cargas que não podem girar ao contrário
(bombas, por exemplo).
Quando há necessidade de reversão, entretanto, podemos fazê-lo com
contatores externos ao soft-starter.
c) "Plug-in"
O "plug-in” é um conjunto de facilidades que podem ser é
disponibilizadas no sott-starter através de um módulo extra, ou através de
parâmetros como, por exemplo: relé eletrônico de sobrecarga, frenagem CC ou AC,
dupla rampa de aceleração para motores de duas velocidades, e realimentação de
velocidade. para aceleração independente das flutuações da carga. .
d) Economia de energia
A maioria dos soft-starters modernos têm um circuito de economia
,de energia. Essa facilidade reduz a tensão. aplicada, para motores em vazio,
diminuindo as perdas no "entreferro", que são a maior parcela de
perda nos motores com baixas cargas. Uma economia significante pode ser
experimentada para motores que operam com cargas de até 50 % da capacidade
(potência) do motor.
APLICAÇÕES E CUIDADOS
Os sott-starters podem ser utilizados nas mais diversas
aplicações, porém, três delas são clássicas: bombas, compressores e
ventiladores.
a) Bombas
Nessa aplicação, a rampa de tensão iguala as curvas do motor e da
carqa.
A figura 7 mostra o torque de saída do motor em diferentes
tensões, e como a rampa de saída do soft-starter adequa a curva de torque do
motor sobre a da bomba. Nesse caso, a corrente de partida é reduzida para
aproximadamente 2,5 vezes a corrente nominal.
A rampa de desaceleração diminui sensivelmente o choque
hidráulico.
Essa é a razão, aliás, das empresas de saneamento especificarem
sottstarters com potências superiores a 10kW
Uma das facilidades que torna alnda mais interessante a utilização
desse equipamento no acionamento de bombas é o recurso "kick
start".
O "Kick start é um pulso de tensão rápido e de grande
amplitude aplicado no instante da partida. Isso ajuda a vencer a inércia de
partida quando há presença de sólidos na bomba (sujeira).
b) Compressores
O soft-starter reduz a manutenção e permite que compressores
"críticos" sejam desligados quando não forem necessários. Por outro
lado evita que eles sejam desligados na funcionamento normal devido a fontes de
alimentação muito fracas.
c) Ventiladores
Os ventiladores, assim como as bombas, exigem um torque
proporcional a velocidade, porém, também têm grande inércia. Geralmente, o
limite de corrente é utilizado para estender o tempo de rampa, enquanto a
inércia é vencida.
SOFT-STARTER X INVERSOR DE FREQUÊNCIA
Não podemos confundir soft-starter com inversor de frequência.
Embora ambos os equipamentos sejam acionamentos estáticos de motores, eles têm
função e princípio de funcionamentos diferentes.
O soft-starter controla apenas a partida e a frenagem do motor, e
seu princípio de funcionamento é a redução da tensão de alimentação, feita
através do disparo de SCRs em antiparalelo (TRIACs). O inversor de freqüência,
além de controlar a partida e frenagem, também é capaz de controlar a variação
de velocidade do motor. Seu princípio de funcionamento é alterar a frequência e
a tensão de alimentação de modo a manter o torque constante. Geralmente, a
etapa de potência dos inversores é construída com IGBTs.
Portanto, emprega-se o inversor quando há necessidade de variação
de velocidade. Empreqá-lo apenas para o controle de partida e parada seria uma
sub-utilização desse equipamento.
CUIDADOS
Nem sempre é possível utilizar um soft-starter. Abaixo segue uma
pequena lista dos pontos mais críticos.
Refrigeração
Instale o dispositivo sempre verticalmente com a ventilação para
cima. A perda de calor aproximada é de 3,6 W/A de corrente circulante.
Tipo de motor
Não deve ser utilizado com motores em anéis.
Fator de potência
Nunca coloque capacitores na saída do sott-starter a fim de
corrigir o cosseno fi.
Torque Alto em Velocidade Zero
Elevadores e guindastes necessitam de torque máximo a velocidade
zero no instante da partida. Nesses casos a utilização do soft-starter é
desaconselhável.
SUGESTÕES DE APLICAÇÃO
A seguir, temos cinco exemplos para o emprego do soft-starter
sugeridas pela WEG. O modelo em questão é o SSW-03.
Todas elas, entretanto, devem ser parametrizadas de acordo com o
manual. Caso contrário podemos danificar tanto o equipamento como a instalação.
A aplicação da figura 9 é um clássico exemplo, onde U e W são ligados para
prover a frenagem CC. Essa técnica funcionará apenas com a correta programação
dos respectivos parâmetros.
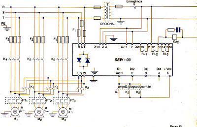
Antes de fazer qualquer uma delas, portanto, consulte o manual do fabricante. A figura 8 mostra um acionamento com comando por entradas digitais a três fios e contator by-pass. A figura 9 ilustra um acionamento com comando por entradas digitais a três fios e frenagem CC. Na figura 10 temos um acionamento também por entradas digitais a três fios e com troca de sentido de giro. A figura 11 apresenta um acionamento com comando por IHM, PC ou PLC. Finalmente, na figura 12 podemos ver um acionamento com comando por entradas digitais para três motores.
É bom alertar para o fato de que alguns fabricantes projetam seus soft-starter para controlar. apenas duas fases ("R" e "S", por exemplo), utilizando a terceira como referência. Essa técnica (figura 13) simplifica o circuito de controle e, consequentemente, "barateia" o produto.
Notem que nos exemplos há um transformador "opcional". Na verdade esse componente só é necessário se a tensão da rede for incompatível com a entrada de soft-starter.
CONCLUSÃO
A "popularização" da tecnologia, bem como a crescente
necessidade de sistemas confiáveis incrementaram a utilização dos
soft-starters.
Ar-condicionados, refrigeração industrial, e compressores são
exemplos que utilizam esse equipamento, principalmente quando ligados a fontes
de alimentação não confiáveis ou fracas.
Cabe lembrar, entretanto, que o sott-starter não melhora o fator
de potência, e também gera harmônicas como qualquer outro de acionarnento estático.













Comentários